another S2 conversion

Document and share your build!
varia
Posts: 354
Joined: Mon Mar 18, 2013 10:53 pm
Location: Los Angeles
Contact:

Re: another S2 conversion

Post by varia »

I couldnt get the car ready for BBQ5 however we made it there, and it was super!



Car is running.Electrical problems (gauges, rogue connectors, etc) are fixed, Finally I have illumination, changed almost all the bulbs...
It has 3" exhaust all the way, a highflow cat and a magnaflow rear muffler. It has a nice tone i think, exactly what i wanted, not too deep, or laud
Fixed the vacuum issues too (didnt have enough), I had to tap in 1/4 NPT fitting to the intake manifold and run a hose to the vacuum distributor

Image
Image
Image
Image
Image
Image
Image
Image
Image

Image
Image
Image

[youtube]https://www.youtube.com/watch?v=GNNdiXsQdKw[/youtube]
[youtube]https://www.youtube.com/watch?v=Nj92B9hVwDw[/youtube]
¯\_(ツ)_/¯

project 2226
Afterthought
Posts: 1249
Joined: Thu Jan 16, 2014 5:43 pm
Location: Bellingham, Wa

Re: another S2 conversion

Post by Afterthought »

varia wrote:
Image

Did you put in that OIl pressure sender? Happen to have a part number?
Afterthought
Posts: 1249
Joined: Thu Jan 16, 2014 5:43 pm
Location: Bellingham, Wa

Re: another S2 conversion

Post by Afterthought »

Nice job getting the job done so quick! Seems like while i was already in the middle of my swap you were only in the acquiring parts stage. Everything came out looking real clean and done right!
varia
Posts: 354
Joined: Mon Mar 18, 2013 10:53 pm
Location: Los Angeles
Contact:

Re: another S2 conversion

Post by varia »

Afterthought wrote:Did you put in that OIl pressure sender? Happen to have a part number?


First I used the one that came w/ the 3B engine.
But I had problem w/ the oil pressure gauge (it was the harness btw) I swapped one from my 7A engine
I think they are the same. I can look up the part number later
¯\_(ツ)_/¯

project 2226
Afterthought
Posts: 1249
Joined: Thu Jan 16, 2014 5:43 pm
Location: Bellingham, Wa

Re: another S2 conversion

Post by Afterthought »

varia wrote:First I used the one that came w/ the 3B engine.
But I had problem w/ the oil pressure gauge (it was the harness btw) I swapped one from my 7A engine
I think they are the same. I can look up the part number later


No worries, I should be able to get the PN for that one... The AAN block I have does not come with a sender for the Aux gauge, only a
single prong open/closed switch (pictured on your block below the 2prong).
I purchsed an LHD S2 Harness from germany and it showed up and was just the same harness I had, so I wired the AAN harness into my car, I have to tie up a couple loose ends, one of them being the oil pressure light is on.
How do you like the vacuum brakes?
I also purchsed a B4 90 booster but it was just too big to fit in there, even the 4000 Booster was tight!
varia
Posts: 354
Joined: Mon Mar 18, 2013 10:53 pm
Location: Los Angeles
Contact:

Re: another S2 conversion

Post by varia »

Afterthought wrote:No worries, I should be able to get the PN for that one... The AAN block I have does not come with a sender for the Aux gauge, only a
single prong open/closed switch (pictured on your block below the 2prong).
I purchsed an LHD S2 Harness from germany and it showed up and was just the same harness I had, so I wired the AAN harness into my car, I have to tie up a couple loose ends, one of them being the oil pressure light is on.
How do you like the vacuum brakes?
I also purchsed a B4 90 booster but it was just too big to fit in there, even the 4000 Booster was tight!



#035919561 is the 7A oil "pressure gauge sender"
B4 booster is an inc bigger, thats why i went with one from a B3
Vacuum brake is weird after a good PS brake. Our 1997 A6 has it still, not the same
My brake pedal is firm, but i just dont feel the stopping power, Im not sure if its the booster, vacuum or something else (and my brakes are big)

Maybe i will just install a vacuum pump and call it a day.

Installed the vacuum distribution log:
IMG_0346.JPG
IMG_0346.JPG (1.61 MiB) Viewed 41308 times

IMG_0347.JPG
IMG_0347.JPG (1.65 MiB) Viewed 41308 times
¯\_(ツ)_/¯

project 2226
User avatar
audifreakjim
Posts: 2142
Joined: Sun Mar 03, 2013 3:00 pm

Re: another S2 conversion

Post by audifreakjim »

Looking good Chris!
User avatar
alxdgr8
Posts: 1056
Joined: Thu Feb 28, 2013 1:39 am
Location: Seattle, WA

Re: another S2 conversion

Post by alxdgr8 »

audifreakjim wrote:Looking good Chris!


+1!

See it at the BBQ next year!
-Alex-
@vexartmedia @odd.cylinders @5cylinder_porsche
Odd Cylinders YouTube Page
1992 Porsche 968 (07K transplant in progress)
1983 Aud UrQ (MC1, GT2871R, IIc)
1985 Audi 4kq
2003 Audi S8 (Avus/Oxblood; DD; 6MT swap)
User avatar
PRY4SNO
Posts: 2430
Joined: Sun Mar 03, 2013 5:14 pm
Location: Edmonton, AB

Re: another S2 conversion

Post by PRY4SNO »

Awesome progress, looks really tidy!
Find me on Instagram @pry4sno

|| 2010 Golf Sportwagen TDI /// #farmenwagen
|| 2002 Dodge Ram 2500 24vt 4x4 #bertancummins
|| 1992 80 quattro 20v /// Eventual AAN'd Winter Sled
|| 1990 Coupe quattro /// Because Racecar
User avatar
Wheeljack
Posts: 314
Joined: Wed Feb 27, 2013 10:47 pm
Location: Ute Territory
Contact:

Re: another S2 conversion

Post by Wheeljack »

Chris, this is really looking awesome. Not really surprised with your methodical approach. Great work!
The Projects: eS2 Coupe /// ur quattro /// urS4 /// Diesel Vanagon
Image
http://brydon-eng.com
varia
Posts: 354
Joined: Mon Mar 18, 2013 10:53 pm
Location: Los Angeles
Contact:

Re: another S2 conversion

Post by varia »

Wheeljack wrote:Chris, this is really looking awesome. Not really surprised with your methodical approach. Great work!


Thank you Chris, but you were inspiring me a lot with your CQ build :)
¯\_(ツ)_/¯

project 2226
varia
Posts: 354
Joined: Mon Mar 18, 2013 10:53 pm
Location: Los Angeles
Contact:

vacuum

Post by varia »

ive got rid off the power ass. brake (bomb) system on my cq. Now I have vacuum booster from a B3 80/90
I re-done my vacuum lines like 3 times, because i think i dont have enough vacuum.
This is my current sutup:
3B_Vacuum_Tree1.jpg
3B_Vacuum_Tree1.jpg (157.22 KiB) Viewed 41224 times


I will modify it, installing a vacuum pump from an later a4, with a pressure switch (first i though i will trigger it via the brake light switch)
3B_Vacuum_Tree2.jpg
3B_Vacuum_Tree2.jpg (161.77 KiB) Viewed 41224 times


8E0927317 2001 a4 vacuum pump.JPG
8E0927317 2001 a4 vacuum pump.JPG (83.92 KiB) Viewed 41224 times



My question is:
What you guys think about my vacuum booster, is it normal that it makes this darth vader noise when i press the brake pedal?
I can see major vacuum pressure drops on the boost gauge.
https://www.youtube.com/watch?v=ZQSkxwKaADw
¯\_(ツ)_/¯

project 2226
User avatar
scubagli
Posts: 604
Joined: Wed Feb 05, 2014 4:20 pm
Location: leeds ny

Re: another S2 conversion

Post by scubagli »

Sounds like the booster is bad.
varia
Posts: 354
Joined: Mon Mar 18, 2013 10:53 pm
Location: Los Angeles
Contact:

Re: another S2 conversion

Post by varia »

scubagli wrote:Sounds like the booster is bad.


what a bummer... thats what i though.
anyway, i ordered an used one, to see whats up
Thx
¯\_(ツ)_/¯

project 2226
User avatar
ralleyquattro
Posts: 858
Joined: Wed Feb 27, 2013 1:46 pm

Re: another S2 conversion

Post by ralleyquattro »

I use that vacuum pump on my TDI and its been working great for last 3 years... I used a VOLVO vacuum switch, much better than some of the aftermarket crap.
Unless you get a large vacuum accumulator you will hear that pump on each time you press the brake pedal.

HTH
Martin Pajak

http://www.quattro.ca

82 Audi Ur-q, SQ project
83 Audi 80 q, Euro 2-Door
85 Audi Ur-q, Euro mit 3B
91 Coupe Quattro
93 Audi 80 q Avant, 2.5 TDI with 6-speed
04 Audi A4 1.8Tq Avant USP 6-speed
04 Audi A4 3.0q Avant USP 6-speed
varia
Posts: 354
Joined: Mon Mar 18, 2013 10:53 pm
Location: Los Angeles
Contact:

Re: another S2 conversion

Post by varia »

ralleyquattro wrote:I use that vacuum pump on my TDI and its been working great for last 3 years... I used a VOLVO vacuum switch, much better than some of the aftermarket crap.
Unless you get a large vacuum accumulator you will hear that pump on each time you press the brake pedal.

HTH


Thank you Martin.
Do you have any info on that volvo switch? What year/model?
I got an adjustable smc vacuumswitch just yesterday, but i would like to use an automotive version
How large vacuum accumulator, what did you use?
Thank you!
Chris
¯\_(ツ)_/¯

project 2226
User avatar
ralleyquattro
Posts: 858
Joined: Wed Feb 27, 2013 1:46 pm

Re: another S2 conversion

Post by ralleyquattro »

This one:

http://www.skandix.de/en/spare-parts/br ... m/1025789/

I did not use an accumulator, I don't mind the pump noise as the TDI makes wayyy more.. ;)
Martin Pajak

http://www.quattro.ca

82 Audi Ur-q, SQ project
83 Audi 80 q, Euro 2-Door
85 Audi Ur-q, Euro mit 3B
91 Coupe Quattro
93 Audi 80 q Avant, 2.5 TDI with 6-speed
04 Audi A4 1.8Tq Avant USP 6-speed
04 Audi A4 3.0q Avant USP 6-speed
varia
Posts: 354
Joined: Mon Mar 18, 2013 10:53 pm
Location: Los Angeles
Contact:

Re: another S2 conversion

Post by varia »

ralleyquattro wrote:This one:

http://www.skandix.de/en/spare-parts/br ... m/1025789/

I did not use an accumulator, I don't mind the pump noise as the TDI makes wayyy more.. ;)


Thank you Martin!
I will use the stock cq accumulator for now, better then nothing.
How did you wire it up? And how do you run the vacuum lines?
Thx
Chris
¯\_(ツ)_/¯

project 2226
User avatar
ralleyquattro
Posts: 858
Joined: Wed Feb 27, 2013 1:46 pm

Re: another S2 conversion

Post by ralleyquattro »

varia wrote:
Thank you Martin!
I will use the stock cq accumulator for now, better then nothing.
How did you wire it up? And how do you run the vacuum lines?
Thx
Chris


Custom vacuum lines, don't ask from where, I just had a some sitting around.
My car was a V6 and already had the vacuum booster so it was just a matter of running the hose to the stock plastic one.
The vacuum is also used for diff lock control, so in the future I will be getting a vacuum bomb of some sorts in there.

It is wired to ignition +12 via 40Amp fuse i.e. when you the ignition is on, the pump has full supply.
Do not wire it up direct, if you have slightest leak the pump will run by itself and if its significant it will drain your battery in no time.

HTH
Martin Pajak

http://www.quattro.ca

82 Audi Ur-q, SQ project
83 Audi 80 q, Euro 2-Door
85 Audi Ur-q, Euro mit 3B
91 Coupe Quattro
93 Audi 80 q Avant, 2.5 TDI with 6-speed
04 Audi A4 1.8Tq Avant USP 6-speed
04 Audi A4 3.0q Avant USP 6-speed
varia
Posts: 354
Joined: Mon Mar 18, 2013 10:53 pm
Location: Los Angeles
Contact:

Re: another S2 conversion

Post by varia »

ralleyquattro wrote:
Custom vacuum lines, don't ask from where, I just had a some sitting around.
My car was a V6 and already had the vacuum booster so it was just a matter of running the hose to the stock plastic one.
The vacuum is also used for diff lock control, so in the future I will be getting a vacuum bomb of some sorts in there.

It is wired to ignition +12 via 40Amp fuse i.e. when you the ignition is on, the pump has full supply.
Do not wire it up direct, if you have slightest leak the pump will run by itself and if its significant it will drain your battery in no time.

HTH


Thank you Martin again! I think i can do the vacuum lines.
How did you wire the volvo vacuum switch?
ignition +12 via 40Amp fuse, to the volvo vacuum switch then to the pump?
Thank you
Chris
¯\_(ツ)_/¯

project 2226
User avatar
ralleyquattro
Posts: 858
Joined: Wed Feb 27, 2013 1:46 pm

Re: another S2 conversion

Post by ralleyquattro »

Vacuum switch is just that.. a switch side (low amps) for the relay.
The power side goes via the relay to the pump.
Remember a 40A fuse in line before the relay.

HTH
Martin Pajak

http://www.quattro.ca

82 Audi Ur-q, SQ project
83 Audi 80 q, Euro 2-Door
85 Audi Ur-q, Euro mit 3B
91 Coupe Quattro
93 Audi 80 q Avant, 2.5 TDI with 6-speed
04 Audi A4 1.8Tq Avant USP 6-speed
04 Audi A4 3.0q Avant USP 6-speed
varia
Posts: 354
Joined: Mon Mar 18, 2013 10:53 pm
Location: Los Angeles
Contact:

Re: another S2 conversion

Post by varia »

ralleyquattro wrote:Vacuum switch is just that.. a switch side (low amps) for the relay.
The power side goes via the relay to the pump.
Remember a 40A fuse in line before the relay.

HTH


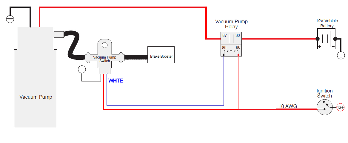
got it. I just wanted to know because my vacuum switch has 3 legs, and adjustable
wire4.jpg
wire4.jpg (126.6 KiB) Viewed 41110 times


but i just ordered this volvo switch (its much simpler then mine was) , so i will wire it like this
wire1.jpg
wire1.jpg (162.29 KiB) Viewed 41110 times


Thank you again!
¯\_(ツ)_/¯

project 2226
User avatar
ralleyquattro
Posts: 858
Joined: Wed Feb 27, 2013 1:46 pm

Re: another S2 conversion

Post by ralleyquattro »

You got it.
Cheers
Martin Pajak

http://www.quattro.ca

82 Audi Ur-q, SQ project
83 Audi 80 q, Euro 2-Door
85 Audi Ur-q, Euro mit 3B
91 Coupe Quattro
93 Audi 80 q Avant, 2.5 TDI with 6-speed
04 Audi A4 1.8Tq Avant USP 6-speed
04 Audi A4 3.0q Avant USP 6-speed
User avatar
audifreakjim
Posts: 2142
Joined: Sun Mar 03, 2013 3:00 pm

Re: another S2 conversion

Post by audifreakjim »

This is great info. Added to the list of must haves :)
varia
Posts: 354
Joined: Mon Mar 18, 2013 10:53 pm
Location: Los Angeles
Contact:

Re: another S2 conversion

Post by varia »

just found this:

2 build in check valve, 1 end goes into the booster, 1 hose goes to the pump, 1 hose goes to the IM
very simple, i like it
Attachments
DSCF5420.JPG
DSCF5420.JPG (447.03 KiB) Viewed 41085 times
¯\_(ツ)_/¯

project 2226
Post Reply